FYH轴承-FYH轴承代理商-上海工泽动力传动有限公司

上海工泽动力传动有限公司

FYH Bearings Chinese agent

大陆地区FYH轴承供应商

全国咨询热线:

15800550955

FYH BEARINGFYH轴承
  • SB 型 外球面轴承(圆柱孔)
  • UC 型外球面轴承(圆柱孔)
  • SU 型外球面轴承(圆柱孔)
外球面轴承 您的位置:首页  »  FYH轴承  »  外球面轴承
  • RB 型外球面轴承(圆柱孔 圆柱外径面)

RB 型外球面轴承(圆柱孔 圆柱外径面)

参数:

参数:

参数:

参数:

参数:

参数:

021-59502975
15800550955
产品详情
样式外球面轴承
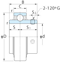
轴承公称型号RB208
轴径40MM
适用固定轮 
质量


主要尺寸 
D

80mm

B

49.2mm

C

24mm

r1.1mm
r10.5mm
S19mm
S130.2mm
S28mm
Ce6mm
a3.18mm
f1.65mm
基本额定负荷 
Cr

29.1KN

Cor

17.8KN

系数 F014
上海工泽动力传动有限公司代理经销FYH轴承,涵盖带立式座轴承、厚壁带立式座轴承、窄幅带立式座轴承、钢板制带立式座轴承、耐腐蚀系列带立式座轴承、小型压铸制带立式座轴承、小轻量型铸铁制带立式座轴承、带方形座轴承、带凸台方形座轴承、耐腐蚀系列带凸台方形座轴承、带菱形座轴承、带变形座轴承、带变形菱形座轴承、带钢板制菱形座轴承、耐腐蚀系列带菱形座轴承、小型压铸制带菱形座轴承、小型轻量铸铁制带菱形座轴承、带凸台圆形座轴承、带钢板制圆形座轴承、带滑块座轴承、耐腐蚀系列带滑块座轴承、带型钢制框架的滑块座轴承、带槽钢制框架的滑块座轴承、带钢板制框架的滑块座轴承、带环形座轴承、带支架座轴承、陶瓷轴承、系列、UK类型外球面轴承、NA类型外球面轴承、SU类型外球面轴承、RB、SBB、SC类型外球面轴承、陶瓷球轴承、耐腐蚀轴承、底座实心轴承、座不锈钢轴承、座新型密封件系列紧定套自动调心滚子带座轴承。